Plan for the boat is:
22' LOA, 20'-4" LWL
5' Beam (4'-6" BWL)
Displacement - ~1 ton (DELFTship calculates .5 tons, but I haven't entered any material data as I am not sure about the units used in the program. This number seems low and I would rather overdesign the engine/boiler/trailer and laugh about it later than underdesign and cry).
2-3 HP was the suggested number for the engine. For now I am starting with 5 HP for the reasons stated above, and also because the method of propulsion I am considering (seen here http://upload.wikimedia.org/wikipedia/c ... ped%29.jpg) is not as efficient as more modern methods.
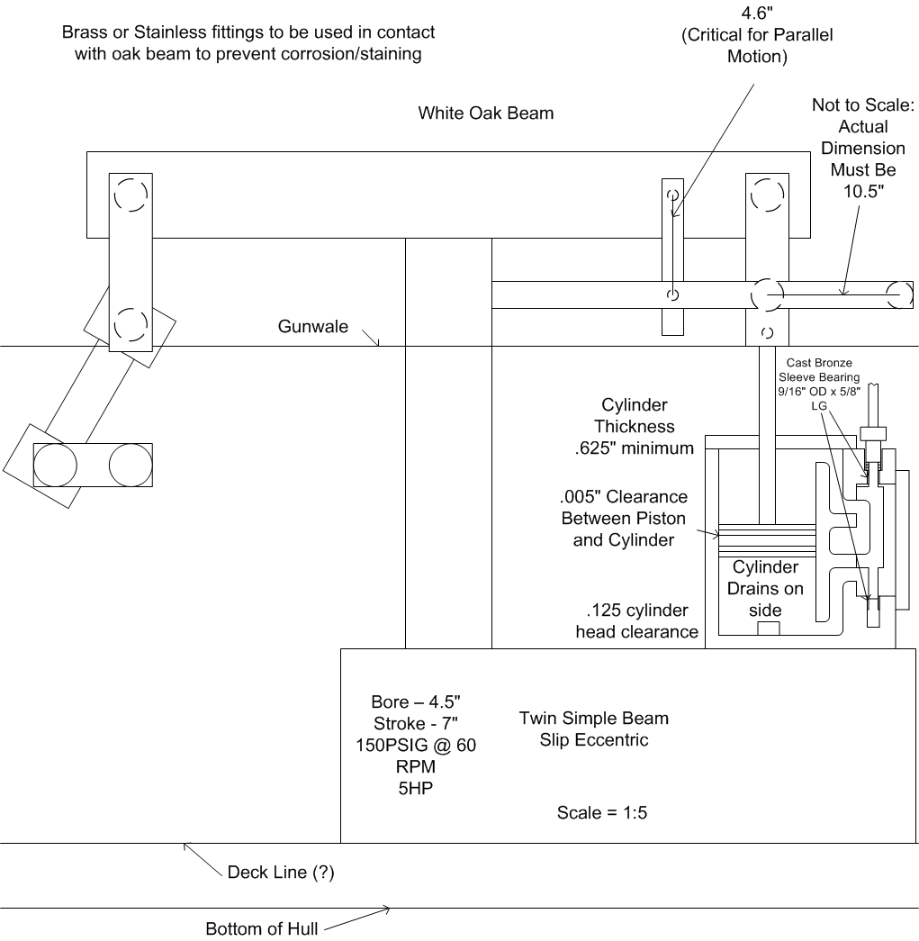
My current (and highly flexible) plan is for twin simple beam engines (2.5 HP each) with the customary 90-degree crank offset.
At 2.5 HP, I worked out 4.5" bore by 7" stroke for each at 60 RPM.
Another possibility would be compounding, in which case the second engine would have (roughly) a 7.75" bore and 7" stroke (at 50 PSIG and 60RPM).
My reasoning for twin engines is that: 1. At lower RPM, twins will give smoother power output, which, in combination with the Indian Paddle propulsion, might be more important than with more conventional methods; 2. Growing up with a father in the nuclear power industry has instilled in me a preference for redundancy over efficiency, and it seems having twins would help with this; 3. It seems to me that a 5HP single cylinder would be cumbersome (150 PSIG @ 60 RPM gives a PLAN value of 5" bore and nearly a foot stroke), especially in a marine setting.
That part of the design seems relatively straightforward (which makes me think I might be missing some fundamental concept).
Where I begin to run into trouble is the valve gear. Many launch owners with beam or annular engines mention Marshall-Bremme valve gear. I am having a difficult time (after many hours on the internet) finding information on/pictures of this valve gear arrangement. Most of the beam engines I have seen (online) use either the original gear used by Watt and Newcomen (full-size) or a simple arrangement with the valve running off a single eccentric (model).
This latter arrangement is not reversible, but if I understand correctly, it could be made so with the addition of a slip eccentric (with some sort of hand wheel on the crankshaft in order to facilitate reversing). With the slip eccentric comes the lack of variable cutoff.
I would like to make the model historically accurate within reason, and the valve gear is one area I would be willing to make concessions to modernity. In my case, simpler would be preferable, which leads me to slip eccentric, but I have very little experience with beam engines (there were none at the museum where I volunteered for a few months working on steam engine).
Summary:
Considering twin simple/compound beam engine, 5HP total (is having a larger bore than stroke in the LP cylinder bad?). My understanding of compounding calculations is 80% PLAN for HP, 60% PLAN for LP. I am not certain whether this will lead to balanced cylinder outputs.
Not sure which valve gear to use. Would prefer the simplest option (which seems to be slip eccentric, though I'm not too familiar with beam engine valve gear options). I could always upgrade the valve gear later.
Engine for the John Fitch
- Brenton Baker
- Lighting the Boiler
- Posts: 44
- Joined: Fri Aug 09, 2013 6:56 pm
- Boat Name: No Boat Yet
- Location: Phoenix, AZ
Engine for the John Fitch
"Whatever you do, do it with all your might."
- PT Barnum, "The Art of Money-Getting"
- PT Barnum, "The Art of Money-Getting"
- fredrosse
- Full Steam Ahead
- Posts: 1925
- Joined: Fri Nov 20, 2009 5:34 am
- Boat Name: Margaret S.
- Location: Phila PA USA
- Contact:
Re: Engine for the John Fitch
There is a wealth of information simulating steam engine valve gear here: http://jf2.com/bcwrr/Dockstader-Valve-Gear.html
Mr. Dockstader has developed, a technical recourse of immense proportions, which can keep a person with interest in this subject at the computer screen almost endlessly. And yes, Marshall – Bremme valve gear is there, along with virtually all of the others.
Be forewarned, just like steam engines, many humans become helplessly entrapped in this technology, and the various facets of its application, to the ruin of other enjoyable pursuits.
Mr. Dockstader has developed, a technical recourse of immense proportions, which can keep a person with interest in this subject at the computer screen almost endlessly. And yes, Marshall – Bremme valve gear is there, along with virtually all of the others.
Be forewarned, just like steam engines, many humans become helplessly entrapped in this technology, and the various facets of its application, to the ruin of other enjoyable pursuits.
- Brenton Baker
- Lighting the Boiler
- Posts: 44
- Joined: Fri Aug 09, 2013 6:56 pm
- Boat Name: No Boat Yet
- Location: Phoenix, AZ
Re: Engine for the John Fitch
Thank you for the recommendation. I had seen references to the program and was considering trying it out. It made the valve arrangement clear.
I have decided to stay with slip eccentric for now.
Here is what I have for the engine.
(Boy, I need to work on Visio. I was spoiled by four years of Revit and Solidworks)
I have decided to stay with slip eccentric for now.
Here is what I have for the engine.
(Boy, I need to work on Visio. I was spoiled by four years of Revit and Solidworks)
"Whatever you do, do it with all your might."
- PT Barnum, "The Art of Money-Getting"
- PT Barnum, "The Art of Money-Getting"
- Brenton Baker
- Lighting the Boiler
- Posts: 44
- Joined: Fri Aug 09, 2013 6:56 pm
- Boat Name: No Boat Yet
- Location: Phoenix, AZ
Re: Engine for the John Fitch
And here is the preliminary for the boiler.
I will add more details about mounting, insulation, fittings, and hand-holes later.
I will add more details about mounting, insulation, fittings, and hand-holes later.
- Attachments
-
- Boiler.jpg (117.11 KiB) Viewed 11413 times
"Whatever you do, do it with all your might."
- PT Barnum, "The Art of Money-Getting"
- PT Barnum, "The Art of Money-Getting"
- Brenton Baker
- Lighting the Boiler
- Posts: 44
- Joined: Fri Aug 09, 2013 6:56 pm
- Boat Name: No Boat Yet
- Location: Phoenix, AZ
Re: Engine for the John Fitch
As a side note, I intend to comply fully with ASME codes wherever applicable on this project.
As I get closer to actual construction, I will re-visit all drawings while referencing every code I can get my hands on and make adjustments accordingly.
In the meantime, I have rounded up all calculations and will note any omissions of which I am aware.
As I get closer to actual construction, I will re-visit all drawings while referencing every code I can get my hands on and make adjustments accordingly.
In the meantime, I have rounded up all calculations and will note any omissions of which I am aware.
"Whatever you do, do it with all your might."
- PT Barnum, "The Art of Money-Getting"
- PT Barnum, "The Art of Money-Getting"
- Brenton Baker
- Lighting the Boiler
- Posts: 44
- Joined: Fri Aug 09, 2013 6:56 pm
- Boat Name: No Boat Yet
- Location: Phoenix, AZ
Re: Engine for the John Fitch
I laid out the engine, boiler, and beginnings of the superstructure in Visio.
The boiler seemed a bit small compared to the boat, yet my calculations show it should be good for just over 150% engine capacity.
30 + 30(5HP) = 180. 50% oversize for possible inefficiency/I'd rather build it too big: 270 PPH steam.
Firetube boiler at 3PPH/Sq. Ft., for 270 PPH = 90 Sq. Ft. heating surface.
My design has 98.8 Sq. Ft. (after subtracting the door area), around 10% larger than calculations call for.
I will compare the ratio to that of other boats as a sanity check.
The boiler seemed a bit small compared to the boat, yet my calculations show it should be good for just over 150% engine capacity.
30 + 30(5HP) = 180. 50% oversize for possible inefficiency/I'd rather build it too big: 270 PPH steam.
Firetube boiler at 3PPH/Sq. Ft., for 270 PPH = 90 Sq. Ft. heating surface.
My design has 98.8 Sq. Ft. (after subtracting the door area), around 10% larger than calculations call for.
I will compare the ratio to that of other boats as a sanity check.
- Attachments
-
- Boat.jpg (121.18 KiB) Viewed 11284 times
"Whatever you do, do it with all your might."
- PT Barnum, "The Art of Money-Getting"
- PT Barnum, "The Art of Money-Getting"
- Brenton Baker
- Lighting the Boiler
- Posts: 44
- Joined: Fri Aug 09, 2013 6:56 pm
- Boat Name: No Boat Yet
- Location: Phoenix, AZ
Re: Engine for the John Fitch
Additionally, upon further review of the boiler design, I decided I wanted more steam room, and so modified the boiler by adding 3" to the outer shell around the upper tube sheet. I believe this would make the boiler of the "submerged tube" design.
- Attachments
-
- Boiler.jpg (101.37 KiB) Viewed 11270 times
"Whatever you do, do it with all your might."
- PT Barnum, "The Art of Money-Getting"
- PT Barnum, "The Art of Money-Getting"
- Brenton Baker
- Lighting the Boiler
- Posts: 44
- Joined: Fri Aug 09, 2013 6:56 pm
- Boat Name: No Boat Yet
- Location: Phoenix, AZ
Re: Engine for the John Fitch
Revised boat layout to reflect the new boiler.
- Attachments
-
- Boat.jpg (121.08 KiB) Viewed 11237 times
"Whatever you do, do it with all your might."
- PT Barnum, "The Art of Money-Getting"
- PT Barnum, "The Art of Money-Getting"
- Brenton Baker
- Lighting the Boiler
- Posts: 44
- Joined: Fri Aug 09, 2013 6:56 pm
- Boat Name: No Boat Yet
- Location: Phoenix, AZ
Re: Engine for the John Fitch
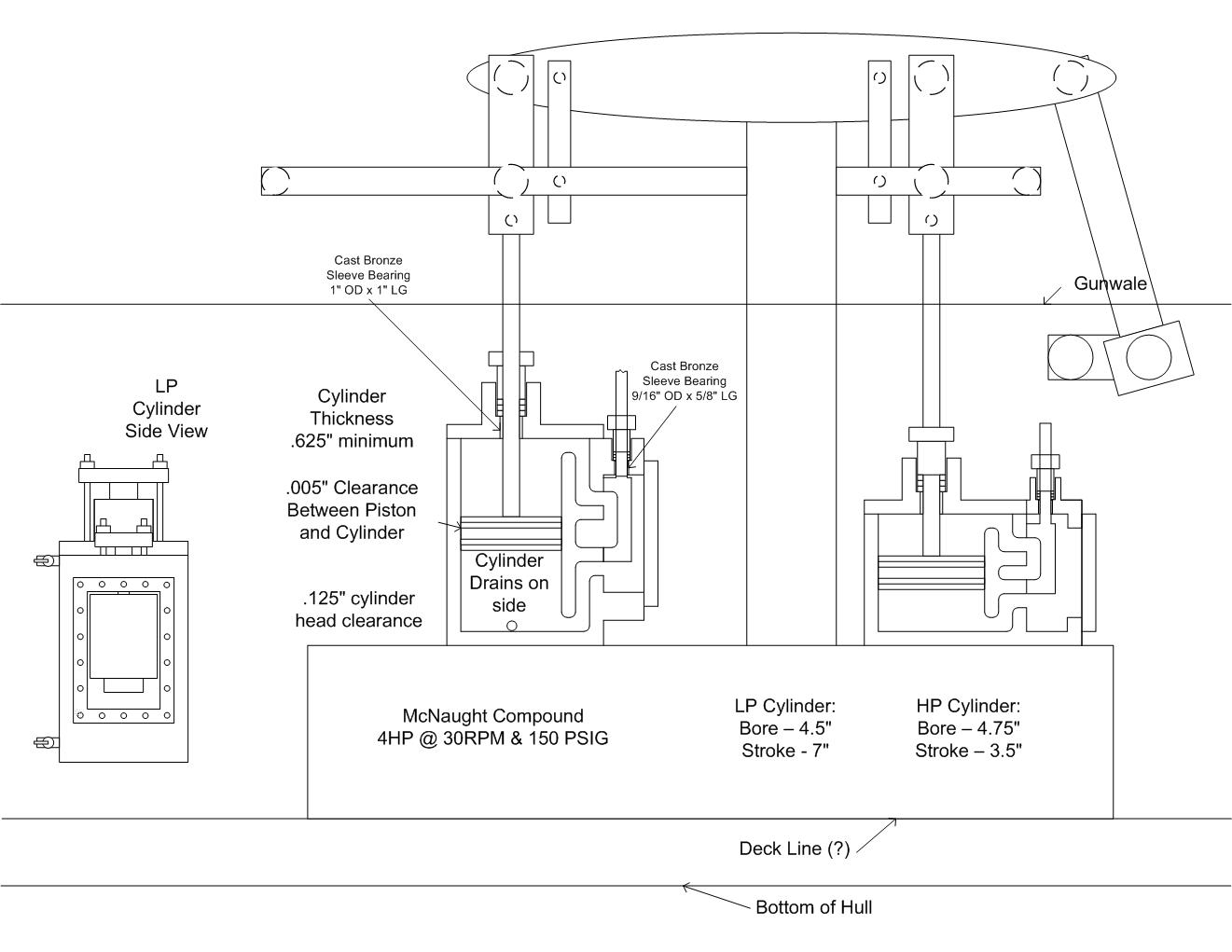
After attending the Great Delta Steamboat Meet, and reading Audel's Engineers and Mechanics Guide, I am re-designing the boat along what I hope are more realistic lines.
As part of that, I have decided to try for a McNaught compound instead of two separate engines, and reduced the horsepower to 4 HP accordingly. The compound means almost halving the required number of parts, mostly the larger parts (beam, frame, etc.). The design was based on all the material I could find on the Internet about McNaught compounds; the actual calculations for bore, stroke, and other specific dimensions were based off equations in the aforementioned Guide.
There are always more details to work out, but this is at least much closer to being practical than my original design.
As part of that, I have decided to try for a McNaught compound instead of two separate engines, and reduced the horsepower to 4 HP accordingly. The compound means almost halving the required number of parts, mostly the larger parts (beam, frame, etc.). The design was based on all the material I could find on the Internet about McNaught compounds; the actual calculations for bore, stroke, and other specific dimensions were based off equations in the aforementioned Guide.
There are always more details to work out, but this is at least much closer to being practical than my original design.
- Attachments
-
- Engine.jpg (106.17 KiB) Viewed 11074 times
"Whatever you do, do it with all your might."
- PT Barnum, "The Art of Money-Getting"
- PT Barnum, "The Art of Money-Getting"